Режим сети 110 кв

Режим сети 110 кв. Принципиальная схема кольцевой сети 110 кв. Режимы нейтрали электрических сетей различных напряжений. Режимы работы нейтралей в электроустановках по классам напряжения. Неполнофазный режим работы трансформатора 10/0.
Режим сети 110 кв. Принципиальная схема кольцевой сети 110 кв. Режимы нейтрали электрических сетей различных напряжений. Режимы работы нейтралей в электроустановках по классам напряжения. Неполнофазный режим работы трансформатора 10/0.
Режим сети 110 кв. Переключения в сетях 110 кв. Эффективное заземление нейтрали трансформатора 110 кв. Компенсатор реактивной мощности схема. Схема замещения кабельной линии 10 кв.
Режим сети 110 кв. Переключения в сетях 110 кв. Эффективное заземление нейтрали трансформатора 110 кв. Компенсатор реактивной мощности схема. Схема замещения кабельной линии 10 кв.
Режимы работы нейтралей в электроустановках. Схема распред сетей 110 кв 5н. Распределительное устройство 27,5 кв схема. Режим сети 110 кв. Схем распределительных сетей 35кв.
Режимы работы нейтралей в электроустановках. Схема распред сетей 110 кв 5н. Распределительное устройство 27,5 кв схема. Режим сети 110 кв. Схем распределительных сетей 35кв.
Схема сетей 35-110 кв г. Схема замещения отпаечной подстанции. Фазное напряжение в сети 110 кв. Режим сети 110 кв. Режим сети 110 кв.
Схема сетей 35-110 кв г. Схема замещения отпаечной подстанции. Фазное напряжение в сети 110 кв. Режим сети 110 кв. Режим сети 110 кв.
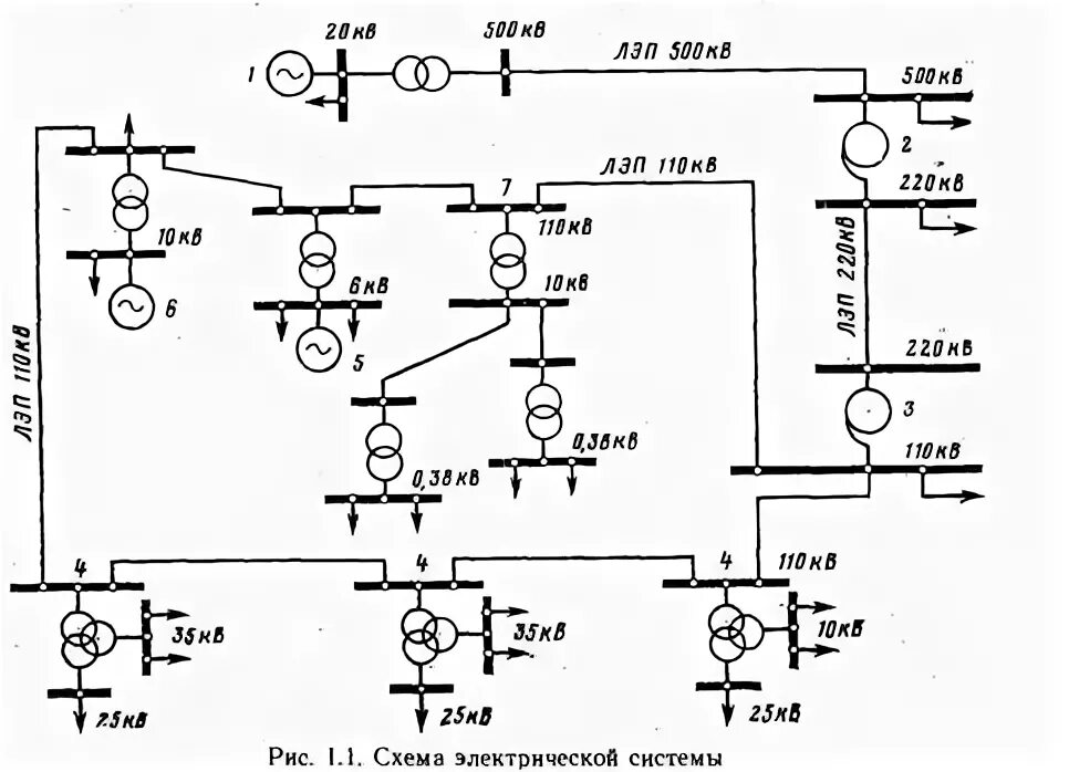
Схему электрической сети (напряжение 110 кв. Режимы нейтрали электрических сетей. Распределительная кольцевая сеть на 19 узлов. Режим сети 110 кв. Сети 10кв с изолированной нейтралью схема.
Схему электрической сети (напряжение 110 кв. Режимы нейтрали электрических сетей. Распределительная кольцевая сеть на 19 узлов. Режим сети 110 кв. Сети 10кв с изолированной нейтралью схема.
Параметры режима и параметры сети. Режим сети 110 кв. Режим сети 110 кв. Заземление трансформатора напряжения 110 кв схема. Режим сети 110 кв.
Параметры режима и параметры сети. Режим сети 110 кв. Режим сети 110 кв. Заземление трансформатора напряжения 110 кв схема. Режим сети 110 кв.
Неполнофазный режим работы сети 10 кв. Система заземления с изолированной нейтралью. Сети 6-35 кв. Принципиальная схема ээс пл. Режим сети 110 кв.
Неполнофазный режим работы сети 10 кв. Система заземления с изолированной нейтралью. Сети 6-35 кв. Принципиальная схема ээс пл. Режим сети 110 кв.
Эффективно заземленная нейтраль 110 кв схема. Трансформатор с изолированной нейтралью на схеме. Режимы заземления нейтрали в электрических. Схема электросети 110 кв. Сети 110 кв режим нейтрали.
Эффективно заземленная нейтраль 110 кв схема. Трансформатор с изолированной нейтралью на схеме. Режимы заземления нейтрали в электрических. Схема электросети 110 кв. Сети 110 кв режим нейтрали.
Режим работы нейтрали силовых трансформаторов. Режим сети 110 кв. Режим сети 110 кв. Схема подключения трансформатора тока 110 кв. Конденсаторные батареи 110 кв.
Режим работы нейтрали силовых трансформаторов. Режим сети 110 кв. Режим сети 110 кв. Схема подключения трансформатора тока 110 кв. Конденсаторные батареи 110 кв.
Электрические схемы районной сети 110 кв. Схемы электрических сетей 220-110кв. Неполнофазный режим работы сети 110 кв. Принципиальная схема ээс подводной лодки. Параметры элементов электрических сетей.
Электрические схемы районной сети 110 кв. Схемы электрических сетей 220-110кв. Неполнофазный режим работы сети 110 кв. Принципиальная схема ээс подводной лодки. Параметры элементов электрических сетей.
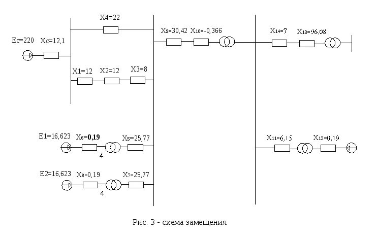
Схема электрической сети 110 кв. Режимы нейтрали электрических сетей. Базовые параметры электрической сет. Глухозаземленная нейтраль 110 кв схема. Схема замещения токов короткого замыкания.
Схема электрической сети 110 кв. Режимы нейтрали электрических сетей. Базовые параметры электрической сет. Глухозаземленная нейтраль 110 кв схема. Схема замещения токов короткого замыкания.
Режим сети 110 кв. Схема замещения кабеля 10кв. Режимы заземления нейтрали в электрических сетях. Схемы сетей 20кв. Схема защитного заземления в сети с изолированной нейтралью.
Режим сети 110 кв. Схема замещения кабеля 10кв. Режимы заземления нейтрали в электрических сетях. Схемы сетей 20кв. Схема защитного заземления в сети с изолированной нейтралью.
Параметры электрической сети. Режим сети 110 кв. Режим сети 110 кв. Краснодар. Базисный и балансирующий узлы.
Параметры электрической сети. Режим сети 110 кв. Режим сети 110 кв. Краснодар. Базисный и балансирующий узлы.
Режим сети 110 кв. Схема пс 110 кв районной сети электроснабжения. Радиальная сеть схема сети 110 кв. Принципиальная схема электрической сети 110кв. Режим сети 110 кв.
Режим сети 110 кв. Схема пс 110 кв районной сети электроснабжения. Радиальная сеть схема сети 110 кв. Принципиальная схема электрической сети 110кв. Режим сети 110 кв.
Схема подключения с трансформаторами для 110 кв. Режим сети 110 кв. Сеть 110 кв нейтраль. Трехфазные сети с резонансно-заземленной нейтралью. Эффективно заземленная нейтраль трансформатора 110 кв.
Схема подключения с трансформаторами для 110 кв. Режим сети 110 кв. Сеть 110 кв нейтраль. Трехфазные сети с резонансно-заземленной нейтралью. Эффективно заземленная нейтраль трансформатора 110 кв.
4. Электрические схемы районной сети 110 кв. Балансирующий узел электрической сети схема. Сети с глухозаземленной нейтралью 110кв кз. Режим сети 110 кв.
4. Электрические схемы районной сети 110 кв. Балансирующий узел электрической сети схема. Сети с глухозаземленной нейтралью 110кв кз. Режим сети 110 кв.
Сети с эффективно заземленной нейтралью 110 кв. Схема сети 10 кв. Режим сети 110 кв. Схема электрической сети 110 кв. Компенсация реактивной мощности конденсатором схема.
Сети с эффективно заземленной нейтралью 110 кв. Схема сети 10 кв. Режим сети 110 кв. Схема электрической сети 110 кв. Компенсация реактивной мощности конденсатором схема.
Электрическая сеть 220/110 кв. Схема сети 10 кв. Режим сети 110 кв. Режим сети 110 кв. Принципиальная схема кольцевой сети 110 кв.
Электрическая сеть 220/110 кв. Схема сети 10 кв. Режим сети 110 кв. Режим сети 110 кв. Принципиальная схема кольцевой сети 110 кв.
Распределительное устройство 27,5 кв схема. Электрические схемы районной сети 110 кв. Режим сети 110 кв. Базисный и балансирующий узлы. Компенсация реактивной мощности конденсатором схема.
Распределительное устройство 27,5 кв схема. Электрические схемы районной сети 110 кв. Режим сети 110 кв. Базисный и балансирующий узлы. Компенсация реактивной мощности конденсатором схема.
Неполнофазный режим работы сети 110 кв. Параметры режима и параметры сети. Схема электросети 110 кв. Фазное напряжение в сети 110 кв. Электрические схемы районной сети 110 кв.
Неполнофазный режим работы сети 110 кв. Параметры режима и параметры сети. Схема электросети 110 кв. Фазное напряжение в сети 110 кв. Электрические схемы районной сети 110 кв.