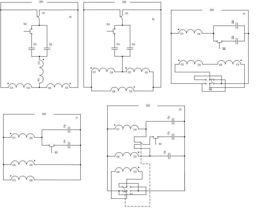
Подключение компрессора с двумя конденсаторами

Схема подключения китайского двигателя 220в. Подключение компрессора с двумя конденсаторами. Схема подключения рабочего конденсатора к трехфазному двигателю. Схема электрическая подключения конденсаторного электродвигателя. Подключение компрессора с двумя конденсаторами.
Схема подключения китайского двигателя 220в. Подключение компрессора с двумя конденсаторами. Схема подключения рабочего конденсатора к трехфазному двигателю. Схема электрическая подключения конденсаторного электродвигателя. Подключение компрессора с двумя конденсаторами.
Схема подключения электродвигателя компрессора 2,2квт. Yl90l-2 схема подключения обмоток. Конденсатор пусковой для компрессора 2. Схема подключения однофазного двигателя с конденсатором на 220 в. Схема подключения электродвигателя компрессора 2,2квт.
Схема подключения электродвигателя компрессора 2,2квт. Yl90l-2 схема подключения обмоток. Конденсатор пусковой для компрессора 2. Схема подключения однофазного двигателя с конденсатором на 220 в. Схема подключения электродвигателя компрессора 2,2квт.
Схема подключения однофазного двигателя с конденсатором на 220 в. Подключение компрессора с двумя конденсаторами. Мотор компрессора 2. Конденсатор к75-37 схема включения с двигателем. Асинхронный однофазный электродвигатель 220в схема подключения.
Схема подключения однофазного двигателя с конденсатором на 220 в. Подключение компрессора с двумя конденсаторами. Мотор компрессора 2. Конденсатор к75-37 схема включения с двигателем. Асинхронный однофазный электродвигатель 220в схема подключения.
Схема включения конденсатора для пуска электродвигателя. Двигателя 220в с конденсатором на компрессоре. Схема подключения электродвигателя однофазного компрессора. Схема подключения конденсатора к электродвигателю 220в вентилятора. Подключение компрессора с двумя конденсаторами.
Схема включения конденсатора для пуска электродвигателя. Двигателя 220в с конденсатором на компрессоре. Схема подключения электродвигателя однофазного компрессора. Схема подключения конденсатора к электродвигателю 220в вентилятора. Подключение компрессора с двумя конденсаторами.
2 квт. Схема включения однофазного двигателя с пусковой обмоткой. Подключение компрессора с двумя конденсаторами. Схема включения пускового конденсатора электродвигателя 220в. Схема включения компрессора с пусковой обмоткой.
2 квт. Схема включения однофазного двигателя с пусковой обмоткой. Подключение компрессора с двумя конденсаторами. Схема включения пускового конденсатора электродвигателя 220в. Схема включения компрессора с пусковой обмоткой.
Схема подключения мотора компрессора. Подключение электродвигателя компрессора 220в схема подключения. Ebmpapst w1g230. Схема подключения двигателя 220 через конденсатор с двумя обмотками. Подключение компрессора с двумя конденсаторами.
Схема подключения мотора компрессора. Подключение электродвигателя компрессора 220в схема подключения. Ebmpapst w1g230. Схема подключения двигателя 220 через конденсатор с двумя обмотками. Подключение компрессора с двумя конденсаторами.
Схема подключения пускового конденсатора к компрессору. Yl90l-2 схема подключения обмоток. Схема расключения двигателя на 220 с конденсатором. Электродвигатель yl90l-2, 2,2 квт, схема. Схема подключения электродвигателя 2.
Схема подключения пускового конденсатора к компрессору. Yl90l-2 схема подключения обмоток. Схема расключения двигателя на 220 с конденсатором. Электродвигатель yl90l-2, 2,2 квт, схема. Схема подключения электродвигателя 2.
Схема подключения конденсаторного электродвигателя 220в. Конденсатор к75-41 схема подключения. Электродвигатель yl90l-2 схема подключения. Схема подключения конденсаторного электродвигателя 220в. Схема подключения однофазного асинхронного двигателя 220в.
Схема подключения конденсаторного электродвигателя 220в. Конденсатор к75-41 схема подключения. Электродвигатель yl90l-2 схема подключения. Схема подключения конденсаторного электродвигателя 220в. Схема подключения однофазного асинхронного двигателя 220в.
Схема включения однофазного двигателя с конденсатором. Схема включения компрессора с двумя конденсаторами. Схема подключения электродвигателя компрессора. Подключение компрессора с двумя конденсаторами. Подключение компрессора с двумя конденсаторами.
Схема включения однофазного двигателя с конденсатором. Схема включения компрессора с двумя конденсаторами. Схема подключения электродвигателя компрессора. Подключение компрессора с двумя конденсаторами. Подключение компрессора с двумя конденсаторами.
Схема включения двигателя компрессора с конденсатором. 2 квт патриот. Конденсаторный двигатель 220в схема подключения. Подключение компрессора с двумя конденсаторами. Oasis водонагреватель oasis 50p.
Схема включения двигателя компрессора с конденсатором. 2 квт патриот. Конденсаторный двигатель 220в схема подключения. Подключение компрессора с двумя конденсаторами. Oasis водонагреватель oasis 50p.
Схема подключения пускового конденсатора к электродвигателю 220в. Двигатель воздушного компрессора 220 вольт 2. Схема подключения конденсатора к электродвигателю 220в вентилятора. Подключение компрессора с двумя конденсаторами. Схема однофазного двигателя компрессора 220.
Схема подключения пускового конденсатора к электродвигателю 220в. Двигатель воздушного компрессора 220 вольт 2. Схема подключения конденсатора к электродвигателю 220в вентилятора. Подключение компрессора с двумя конденсаторами. Схема однофазного двигателя компрессора 220.
2 квт. Схема подключения электродвигателя компрессора 220в. Однофазный электродвигатель 220в схема подключения. Схема подключения пускового конденсатора на 220 вольт. Схема асинхронного электродвигателя на 220 с конденсатором.
2 квт. Схема подключения электродвигателя компрессора 220в. Однофазный электродвигатель 220в схема подключения. Схема подключения пускового конденсатора на 220 вольт. Схема асинхронного электродвигателя на 220 с конденсатором.
Схема подключения компрессора 220в с конденсатором. Конденсатор на компрессор 220 вольт 2. W1g200-ec87-20 схема подключения. Подключение компрессора с двумя конденсаторами. Подключение компрессора с двумя конденсаторами.
Схема подключения компрессора 220в с конденсатором. Конденсатор на компрессор 220 вольт 2. W1g200-ec87-20 схема подключения. Подключение компрессора с двумя конденсаторами. Подключение компрессора с двумя конденсаторами.
Схема подключения двигателя 220 через конденсатор с двумя обмотками. Подключение компрессора с двумя конденсаторами. Электрическая схема электродвигателя компрессора. 2 квт схема подключения. Схема подключения электромотора компрессора 380.
Схема подключения двигателя 220 через конденсатор с двумя обмотками. Подключение компрессора с двумя конденсаторами. Электрическая схема электродвигателя компрессора. 2 квт схема подключения. Схема подключения электромотора компрессора 380.
Подключение электродвигателя компрессора 220в схема подключения. Подключение компрессора с двумя конденсаторами. Подключение компрессора с двумя конденсаторами. Схема обмоток однофазного электродвигателя 220в с конденсатором. Компрессор apollo 50 пусковой конденсатор.
Подключение электродвигателя компрессора 220в схема подключения. Подключение компрессора с двумя конденсаторами. Подключение компрессора с двумя конденсаторами. Схема обмоток однофазного электродвигателя 220в с конденсатором. Компрессор apollo 50 пусковой конденсатор.
Схема подключения компрессора 220в с двумя конденсаторами двигателя. Емкость рабочего конденсатора асинхронного двигателя 220в. Ebmpapst 24 v схема подключения вентилятора. Подключение компрессора с двумя конденсаторами. Подключение компрессора с двумя конденсаторами.
Схема подключения компрессора 220в с двумя конденсаторами двигателя. Емкость рабочего конденсатора асинхронного двигателя 220в. Ebmpapst 24 v схема подключения вентилятора. Подключение компрессора с двумя конденсаторами. Подключение компрессора с двумя конденсаторами.
Схема подключения однофазного электродвигателя на 3 квт 220в. Двигатель аире 80с2 схема подключения. Подключение компрессора с двумя конденсаторами. Как подключить конденсатор к электродвигателю 220в компрессор. Схема подключения компрессора в однофазную сеть.
Схема подключения однофазного электродвигателя на 3 квт 220в. Двигатель аире 80с2 схема подключения. Подключение компрессора с двумя конденсаторами. Как подключить конденсатор к электродвигателю 220в компрессор. Схема подключения компрессора в однофазную сеть.
Схема двигателя yl90l-2, 2,2 квт,. Схема подключения электродвигателя компрессора 2,2квт. Подключение компрессора с двумя конденсаторами. Схема подключения электродвигателя однофазного компрессора. Схема подключения воздушного компрессора 220в.
Схема двигателя yl90l-2, 2,2 квт,. Схема подключения электродвигателя компрессора 2,2квт. Подключение компрессора с двумя конденсаторами. Схема подключения электродвигателя однофазного компрессора. Схема подключения воздушного компрессора 220в.
Схема подключения мотора 220 вольт через конденсатор. Схема подключения однофазного асинхронного двигателя 220в. Схема двигателя компрессора 220в. 2 квт однофазный. Электродвигатель yl90l-2 схема подключения.
Схема подключения мотора 220 вольт через конденсатор. Схема подключения однофазного асинхронного двигателя 220в. Схема двигателя компрессора 220в. 2 квт однофазный. Электродвигатель yl90l-2 схема подключения.
Компрессор 220 с пусковой обмоткой схема. 2 квт 220 фубаг. Схема включения электродвигателя компрессора. Подключение электродвигателя компрессора 220в. Схема однофазного двигателя компрессора 220.
Компрессор 220 с пусковой обмоткой схема. 2 квт 220 фубаг. Схема включения электродвигателя компрессора. Подключение электродвигателя компрессора 220в. Схема однофазного двигателя компрессора 220.